De BC-1421A

Het aanzicht van deze degelijke ontvanger. Het is de opvolger van de BC-639A, de verschillen zijn minimaal. Bij de BC-1421A is een relais aangebracht, dat wanneer bekrachtigd, het stuurrooster van de LF-eindbuis aan aarde legt. Waarschijnlijk werd dit relais bestuurd vanuit de zender. Verder is een dubbeldiode, 6H6, gebruikt als storingsbegrenzer.Het binnenwerk van de ontvanger is ook weer terug te vinden in de BC-624. Uiteindelijk is de radio de Amerikaanse vervanger van de Engelse R1132.

Het front. De kleur is wat groen/blauwachtig. Deze uitvoering werd bij de Navy gebruikt, terwijl daar ook zwart gekleurde kasten werden gebruikt.

Een zwart exemplaar in bedrijf.

Dit is de Amerikaans/ Engelse ontvanger BC-639/ R.5032A met voeding.

De typeplaatjes.

Een groene BC-639. Overigens hoorde daar de BC-640 zender bij.

Binnenwerk van de BC-639, met Jones-plug voor de voeding en een PL-259 als antenne-connector.

De achterkant van de BC-1421A met de aansluiting voor de voeding en lijn-uitgang en de antenneconnector. ( Hier een N-connector, er waren echter ook uitvoeringen met de PL-259 connector.)
Deze superheterodyne ontvanger werd gebruikt als grond-radio voor de communicatie met vliegtuigen in de frequentieband van 100 tot 156 MHz.
De buizenbezetting:
| Aanduiding | Type | Functie |
| RF | VT-201 (6AK5) | Hoogfrequent versterker |
| Mixer | VT-203 (9003) | Mengtrap |
| Osc. | VT-202 (9002) | Local oscillator |
| Doubler | VT-203 (9003) | Frequentieverdubbelaar |
| 1st. IF | VT-211 (6SG7) | Eerste Middenfrequent versterker |
| 2nd. IF | VT-211 (6SG7) | Tweede Middenfrequent versterker |
| 3d. IF | VT-211 (6SG7) | Derde Middenfrequent versterker |
| Det. Audio, AVC | VT-103 (6SQ7) | Detector, LF-versterker en AVC. |
| 2nd Audio | VT-152 (6K6) | LF-Eindversterker |
| CW.Osc. | VT-211 (6SG7) | Beat Frequentie Oscillator |
| Noise Lim. | VT-90 (6H6) | Storingsonderdrukker |
Het geheel in alluminium kast weegt ca. 19 kg en is gebouwd voor de eeuwigheid. Solide constructie en onderdelen.
De gevoeligheid van de ontvanger is ook zeer goed. Geen wonder dat deze radio zo veelzijdig werd ingezet.

De bedieningsknoppen.

De sterktemeter, die inderdaad enige indicatie geeft van de sterkte van het ontvangen signaal.

De ontvanger in bedrijf en afgestemd op 134 MHz.

Het typeplaatje met serial nummer. Fabrikant Hazeltine Electronics.

De achterkant met de vier!!! middenfrequenten. De buizen netjes met klemmen vastgezet. De pijpleiding rechts is de verbinding tussen antenneplug en eerste HF-trap.

Aan de linkerkant is het HF-gedeelte te zien. De buizen zijn voorzien van metalen afschermkappen.

De rechterzijde met detector, storingsbegrenzer en BFO.

Een overzichtelijk geheel en een stevig framewerk.

De versnellingsbak van de afstemming.

Het HF-gedeelte, met links de oscillator en de verdubbelaar en rechts de HF-versterker en de mixer.

De onderkant, met veel ruimte.
Hier onder het schema van de BC-1421A in drie delen, door op de afbeelding te klikken wordt het formaat groter:
Het HF-gedeelte met local oscillator , doubler en mixer.
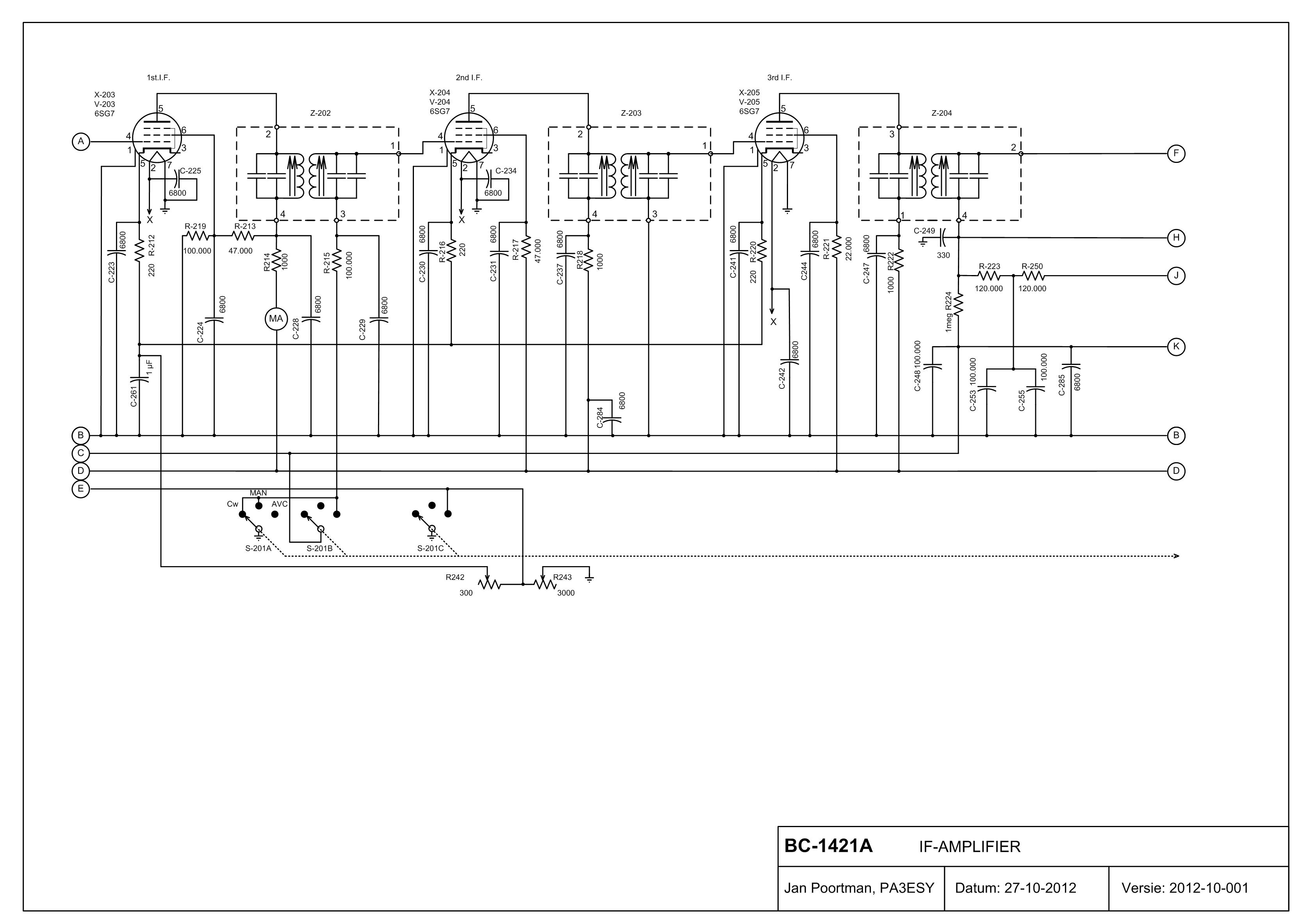
De middenfrequentversterker.
Detector, AVC, BFO en LF-versterker.
De voedings-unit RA-147

Een redelijk zwaar uitgevoerde voedingsunit.

De bedienings-knoppen .

De achterkant met gemodificeerde netspanningsaansluiting. ( Dit in verband met de veiligheid)

De geopende achterkant met rechts de forse voedingstransformator, midden twee smoorspoelen en links de afvlakcondensatoren, de gelijkrichter is een 5Y3G.

De bovenkant.

Blik op de voedingstrafo, links.

De forse afvlakcondensatoren van 6 muF en 600 V. DC.

De keurig bedrade onderkant.

De aansluitingen van de trafo en de gelijrichtbuis.
Het schema van de RA-147. Voor vergroting op schema klikken.
Voor de liefhebbers, De maintenance instructions van de BC-639A