Batterijbuizen-super.

Al jaren had ik de wens een keer een super-heterodyne ontvanger te maken met batterijbuizen. Eén voor de midden-golf, overdag alleen wat piraten te ontvangen en vooral veel storingen van de Low-Cost-omvormers van de zonnepanelen van de buren. Maar 's avonds als het zonnetje weg is en de Heavyside-laag gunstig staat voor de propagatie op de middengolf weet je niet wat je hoort. Middengolf uitgestorven, vergeet het maar. En mijn nogal slechte indruk van batterijbuisjes is verdwenen. Die doen het goed, maar het is wel een aparte techniek vergeleken met wisselstroombuizen met kathodes.

De opzet is na veel testen toch weer wat gewijzigd, de DK91 is vervangen door een DK92 (1AC6). Deze buis heeft toch wat betere eigenschappen dan de DK91. Er moet wel het één en ander gewijzigd worden. De buisaansluitingen zijn anders en de componentwaarden eveneens. Verder is de antennekring weer verpaatst voor de 1. HF-buis, hier door kan ook overgeschakeld worden naar een ferrit-antenne. Het afschermschotje is verdwenen omdat de ontvanger perfect werkt zonder dit schotje. Heel veel onverklaarbare piepjes zijn verdwenen, behalve de storingen van de zonnepanelen van de buren. Maar ja, dat blijft zo.

Een eerste opzet op papier was snel gemaakt, één trap HF-versterking met een 1T4 (DF91), ingangskring met een Philips PP11-spoel. Koppeling naar de mixer met een HF-choke in de anodeleiding van de 1T4 naar de 1R5 (DK91) die als mixer en oscillator ( ook met PP11) werkt. Dan via een MF-trafo van 452 kHz naar de de volgende MF-versterker, ook een 1T4. Het uitgangssignaal weer in een Philips MF-trafo type A3 126 84. Het signaal wordt met een 1S5 (DAF91) gelijkgericht en tevens in het penthodedeel LF-versterkt om vervolgens door een 3S4 (DL92) te worden versterkt naar een degelijk luidsprekergeluid.

De laatste ontwikkelingen. dd 11-maart-2025

Door op de afbeeldingen te klikken verkrijgt u een een groter beeld in een apart venster.

Op bovenstaande foto het eerste ontwerp. Links het LF-deel, de afstem-C met kogellagers. En rechts de twee PP11 spoelen.

Tot dusver ziet de zaak er overzichtelijk uit, maar het komt anders.

De achterkant met blik op de mooie kleine batterijbuisjes.

Om de maat te kunnen nemen een transistor-uitgangstrafo gebruikt.

Alles nog steeds keurig in het gelid.

Het bovenaanzicht.

En natuurlijk de eerste uitvoering.

De eerste proefopstelling. Het werkte wel een beetje, maar de oscillator sloeg steeds af, onduidelijk waarom. Verdere bestudering van octodes bracht aan het licht dat er een enorm verschil in de DK91 en DK92 zit. Dus braaf de DK91 uitvoering na gebouwd en dat werkte perfect. Ook de stabiliteit is goed. Dus dat was voor elkaar. Eerst de MF-trafo's afgeregeld, dat ging ook goed en de detector en LF-gedeelte waren ook in een keer werkend. Wel wat vervormd, maar dat komt om dat de DL92 wel graag wat negatieve voorspanning op zijn signaalrooster ziet. Dus een serie-weerstand in de min-leiding van de 90 Volt batterijspanning. Maar ja, hoe groot? Dat is dus uitproberen, je hebt ongeveer - 9 Volt nodig en door eerst een potmeter van een kiloOhm te gebruiken was de juiste waarde snel gevonden. 470 Ohm bij een totale stroom van ca. 20 mAmp. Prima geluid en hard genoeg.

Maar ja, hoe verder met de voeding??? Ik had een serie-parallel-constructie van de gloeidraden voor ogen, dat zou betekenen dat ik 4,2 Volt met drie babycellen (oplaadbaar) in serie had.  Het geheel trekt dan zo om de 200 mA. Mooi dus met batterijen van 8 Amp/h.  Alles netjes bedraad en inderdaad het werkte. Er waren wel allerlei vreemde effecten die op onverklaarbare wijze ontstonden. Dus nog wat werk aan de winkel. Maar eerst eens proberen om 90 Volt te maken met twee 3,6 Volt batterijen uit powerbankjes voor de telefoon. Met een stepup-converter werd de 7,2 Volt keurig omgezet naar 90 Volt. Bij belasting trok het zaakje ongeveer 300 mA uit de batterijen, maar de ontvanger is ook niet bedoeld om hele dagen naar te luisteren.
De volgende stap was het ding meenemen naar buiten en en een stuk draad in de antennebus stoppen. Catastrofaal, alles piepte en kraakte. De HF-trap stond te oscilleren en werd bijgestaan door de step-converter die een heel arsenaal aan gemene piepjes produceerde. Met m'n actieve antenne had ik daar geen last van gehad.
Na veel experimenten ben ik tot de slotsom gekomen dat het allemaal anders moest, vooral de opbouw met de weerstanden en condensatoren beviel me niet. Ik wilde dat net zo als je in de bouwtekeningen van Amroh ziet, haakse draadjes en weerstandbordjes. Eerst een hele layout gemaakt en ongeveer alle buisvoeten een halve slag gedraaid. Gloeidraden keurig bedraad en de weerstandbordjes gemaakt en ingezet. Met gloeiende oortjes de boel weer aangezet en het resultaat was als vanouds, slecht. Nu volgde een hele reeks aan wijzigingen. Ik had een vermoeden dat de gloeistroomvoorziening anders moest, alles parallel. Dus de oude bedrading er weer uit en opnieuw maken. Het verschil in stroomopname was maar 100 mA. Totaal 300 mA in plaats van de 200 mA bij serieschakeling, dat kunnen die babycellen met gemak aan.
Verder de ingangskring verplaatst, van de ingang van de HF-trap direct aan de mixer. Dus de HF-smoorspoel weer verwijderd. De ingang aan de antennekant met 1 MOhm afgesloten. Het ge-oscilleer van de HF-trap is over en een stukje blik als afscherming als extra beveiliging aangebracht.
Om mijn buitentesten wat te vergemakkelijken heb ik ook maar een frontplaat van hout gemaakt waar ook de luidspreker op gemonteerd is. Gelijk rekening gehouden met een batterijcompartiment onder het chassis. Dat vereiste weer een (tijdelijke) extra steun aan de achterzijde van het chassis.
Het resultaat is hier onder te zien:

Het front, er komt nog wat overheen.


Links onder de volumeregelaar, de grote knop is voor de afstemming. Rechts wil ik nog een stationsschaal maken, maar dat komt nog.

Zjiaanzicht, de frontplaat is op afstandbussen gezet omdat er op de afstemas nog een snaartrommel moet komen.

De achterkant, de luidspreker is wat roestig, maar ik had niet anders. De gele bus is de antenne-ingang en de groene bussen zijn voor een externe luidspreker.

De linker zijkant, nu met de juiste uitgangstrafo.

De componenten-opstelling die ongewijzigd is.

De weerstandbordjes, dan wordt het geheel toch veel overzichtlijker. Er zijn natuurlijk stukjes waar dat niet kan, HF-spanningen zijn rare dingen...
Links onder de trimmers, zo uit een sloop GRC-3030 gehaald.

Dit is het schema van de eerste uitvoering, de HF-versterker doet het nog niet erg goed, ik wil er een afstembare ferrit-antenne voor zetten. Maar dat gaat nog niet lekker, waarschijnlijk aanpassings-problemen. De schakeling uiteindelijk helemaal omgebouwd met een DK92 en een andere HF-trap.

Dit is de laatste versie van de ontvanger, nu met DK92  en met enige correcties..


De 90 Volt anodespanning is nog een probleem, misschien de step-up converter inblikken en alles goed ontkoppelen, voorlopig piept hij nog te sterk op te veel frequenties. Maar ook dat zal ooit opgelost worden.
Er is dus nog het een en ander te doen, maar over het algemeen gaat het toch allemaal zo doen wat ik er van verwachte. Soms beter zelfs.
Mochten er nieuwe ontwikkelingen plaats vinden op het voedingsbronnen-gebied, dan laat ik dat weten.
De volgende uitdaging op ontvanger gebied is een direct-conversion-ontvanger met meerdere HF-trappen en nu met wisselspanningbuisjes, 6AK5 (EF95), daar heb ik nog heel veel van. Ik denk met drie voortrappen waarvan de versterking wel regelbaar wordt. De ontvanger is alleen voor de 80 meterband bedoeld.
Met de batterijbuisjes wil ik nog een 80 meter-zender maken, dat lijkt me ook wel leuk. Echt QRP-werk.

 

 

De laatste update.

Het probleem van de storende omvormer is opgelost. Een zeer eenvoudige uitvoering met één transistor en een potkern-trafo was de oplossing. Hieronder het schema, de waarden kunnen nog varieren, ze zijn erg afhankelijk van de gewenste spanning en de soort pot-kern. Hier over is echter genoeg op internet te vinden.
Dit ontwerp stamt van Hans Dekker ( PE1ECO)

 

Het schema van de inverter. Het grote voordeel van dit type is dat de schakeling niet oscilleert als geen belasting aanwezig is. Dus alleen de gloeispanning hoeft geschakeld te worden De buizen van de ontvanger zonder gloeiende draadjes stellen geen belasting voor. Handig!!!

Aan de ontvanger zelf is niet zo veel gewijzigd. Alleen de wens om er een afstem-indicatie bij te maken bleef knagen. Een micro-Ampère-meter in de schermrooster leiding zou kunnen, maar dan slaat de meter de verkeerde kant op. Dat wilde ik niet. Toen eens nagedacht om met wat transistoren en een analoge meter iets te maken. Alleen loop je dan steeds tegen het probleem dat de inverter altijd belast wordt en de batterijen leeg lopen.
Toen nog een versie gemaakt met een DM70, maar die gaf te weinig licht en maakte geen indruk. De oplossing is ( dacht ik ) een dubbeltriode toepassen. De eerste triode gebruiken als inverterende versterker. Dus de AVC aan het rooster aansluiten en bij groter wordend negatief stijgt de anodespanning. Wanneer je die dan aansluit op het rooster van de tweede helft van de buis en de anodestroom door een mA-meter laat lopen moet dat ook werken. Nou ja, dat gaat ook niet lukken, want de minimale anodespanning van buis 1 is zo hoog dat de anodestroom van buis 2 direct maximaal wordt. Uiteindelijk is het een brugschakeling geworden, die met wat geexperimenteer met de anode weerstanden precies doet wat ik wilde. Het hier onder getoonde schema toont de gehele schakeling.

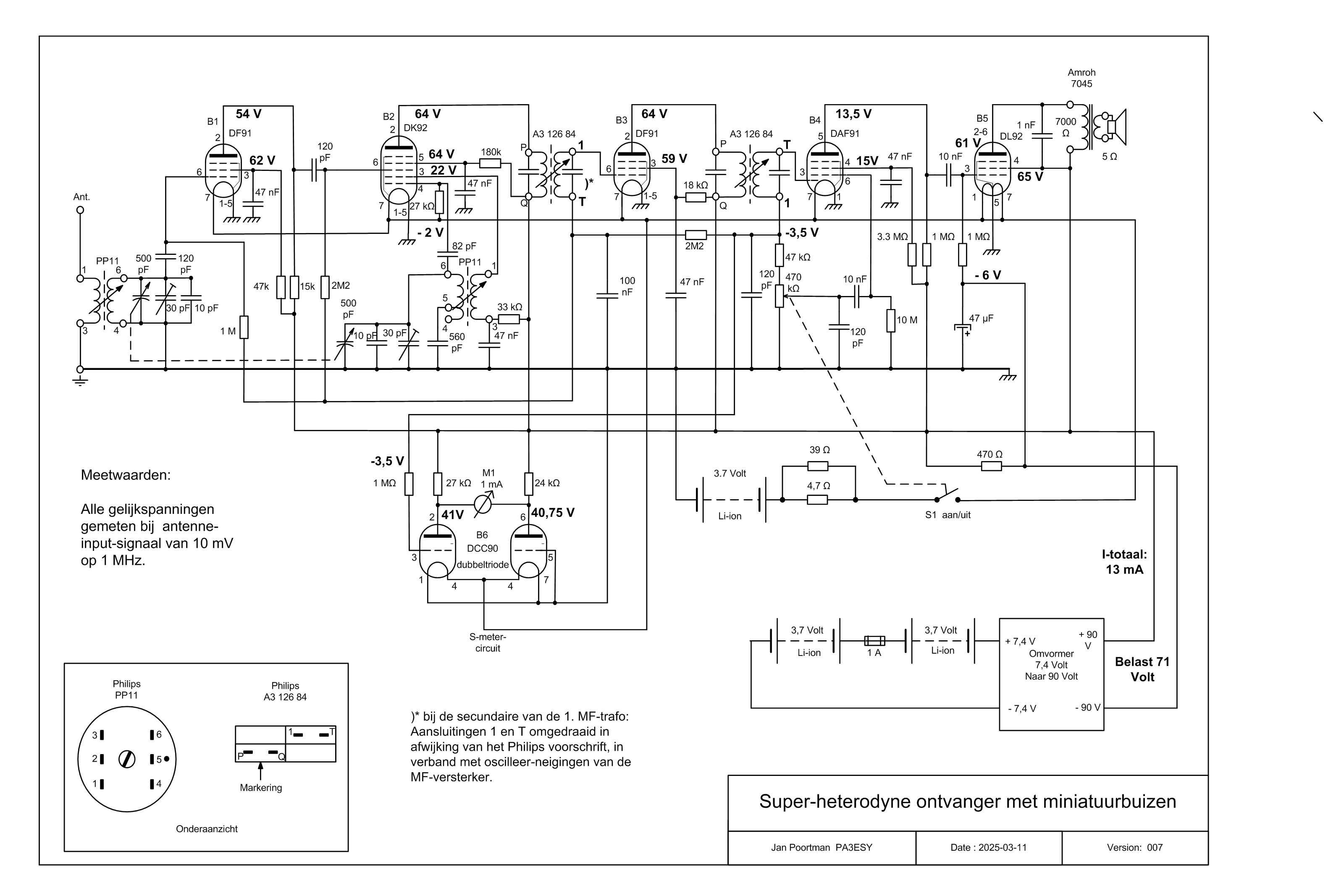
Dit is dan de uiteindelijke uitvoering van de batterij-buizen-ontvanger. Heel zwakjes, met de volumeregelaar op max. is de pieptoon vanm 4 kHz van de omvormer te horen. Maar bij het ouder worden van mijn gehoororganen neemt die eventuele klacht snel af. .Wanneer de schakeling in een blikken behuizing gezet wordt is het gepiep nagenoeg verdwenen. Verder zijn de secundaire aansluitingen van de eerste MF-trafo omgedraaid. De T is niet meer aan het stuurrooster van de 1T4 verbonden, maar met de AVC-lijn en de 1 zit nu aan het stuurrooster van de 1T4. De reden hiervoor is dat de MF-versterker toch lichtelijk stond te oscil;leren en door de fase van het signaal te verwisselen is dit verdwenen.

Hier onder nog een laatste versie van de ontvanger met spanningswaarden op de verschillende buisaansluitingen bij een RF-input van 10 mV bij 1 MHz. Dit signaal was nodig om de S-meter te testen en de AVC-spanning te meten.


Nu moet nog een frontplaat gemaakt worden met de S-meter en een stationsschaal. Dat wordt nog een hele uitdaging............

Al met al was dit weer eens een uiterst leerzame onderneming die veel kopzorgen veroorzaakte en om veel oplossingen vroeg. Maar dat is goed voor de hersens!!!

 

Flag Counter