Een Amerikaanse multimeter van robuuste uitvoering met de ME9-C/U meter.

Het geheel in gesloten toestand.

De onderkant met batterijvak.

Het totale pakket.

De meter in volle omvang, het onderste gedeelte is de meter zelf en het bovenste kastje
bevat de multiplier voor het 5000 V. bereik. Het bestaat uit twee aansluitingen en
een 99 M-Ohm weerstand.

De High Voltage aansluitingen.

De weerstand van 99 M-Ohm.

De betekenis van alle onderdelen.

Het instrument zelf, geheel gesealed.

Het instrument is niet meer gesealed. Er is wat mee aan de hand. De balans is zoek.

De funktieschakelaars.

Het kastje open gemaakt.

De lege kast van aluminium. Solide werk.

De rubber afdichting.

Een beeld van het binnenwerk.

Vanuit een andere hoek.

Nog meer binnenwerk.

Binnen links met verwijderd meetinstrument.

De andere kant.

Een blik in het geopende batterij-compartiment, waar in drie 4,5 V. batterijen(platte) en een 1,5 V (Monocel) horen.
Zo behoren de batterijen te worden gemonteerd.

De batterij-deksel.

Een zogenaamde "exploded view".

De gesloten bovendeksel.

De deksel met de meetsnoeren en verdere attributen.

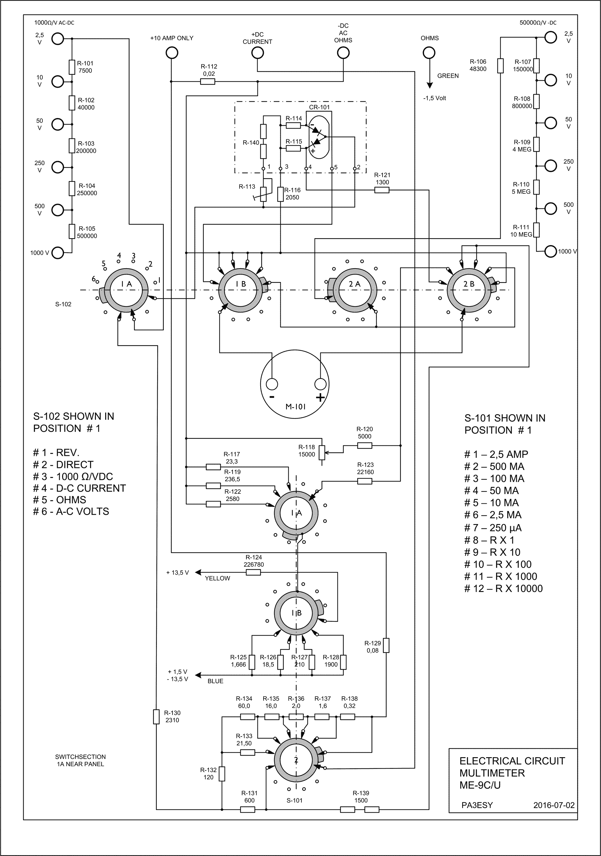
Het schema van de meter.
Het schema nagetekend. Door op de afbeelding te klikken krijgt U het originele formaat.
Voor de echte liefhebbers: Operations Manual TM-11-6625-366-10