Het radio-kompas ARN-6. Deze (vanaf 1950) verving de eerdere ARN-7 (1945-1950), die zwaarder en bulkier was en 115V 400 Hz nodig had om te kunnen werken. De nr. 6 werkt gewoon op het 28 Volt boordnet, wel zo gemakkelijk.
Het is een automatische richtingzoeker
met een ontvanger die het frequentiegebied van 100 kHz tot 1750 kHz bestrijkt. Dit bereik is opgedeeld in vier delen.
Een uitstekende Lange- en middengolfontvanger, jammer dat er steeds minder interessante zenders op te horen zijn.
De set gebruikt twee verschillende middenfrequent-kanalen, de lage band (100-200 kHz) met behulp van 142,5 kHz en de andere 3 banden met 455 kHz.
In tegenstelling tot het eerdere MN26 -radiokompas, maakt deze set gebruik van automatische richting-zoeken, door gebruik te maken van Thyratrons (type 2050) in samenwerking met het Loop Aerial Servomotor System. Het gebruik van deze peiling is veel eenvoudiger en voorkomt dat niet aangeven kon worden of een signaal vanaf de voorkant of achterkant van de loop-antenne aankwam. Het was dan aan de piloot om van de koers af te wijken om erachter te komen of hij op weg was naar, of weg van het signaal.
Het systeem benodigde de volgende componenten:
De componenten.
| Ontvanger | R101B/ARN-6 |
| Mounting | MT-273F/ARN-6 |
| Besturingseenheden | C-403A/A, C-758/A en C-1514A/ARN-6 |
| Loop-antenne | AS-3l3BIARN-6 |
| Indicator | ID9lB/ARN-6 |
| Documentatie |
Ontvanger R101B.
Het vooraanzicht van de ontvanger, onder links de aansluiting voor de bowdenkabel voor de afstemming van de radio. dan de connector voor de loop-antenne, aardschroef en non-directional-antenne-ingang. De twee ovale klepjes zijn voor de instelling van MF-instelling (omschakel-mechaniek).
Een product van de firma "The Magnavox co." FT. Wayne, Indiana. Het is voor 26,5 DC-voeding en eigendom van de US. Later in bezit van het DELM of wel Depot Elektronisch Materieel dat indertijd in Rhenen gevestigd was en in 2013 overgeplaatst werd naar Woensdrecht. Hierbij is veel van de prachtige verzameling van oude apparatuur verloren gegaan of verdwaald....
De bowdenkabelaansluiting voor de afstemming en de loop-antenne-aansluitings-plug.
De aardschroef en de antenne-ingang (Voor de omni-directional-antenne)
De achterkant met een groot aantal verbindingspennen die in de contacten vallen wanneer de set in de mounting geplaats wordt. Je zou zeggen dat het hele alfabet gebruikt is, nee, om vergissingen te voorkomen zijn de letters I, O, Q en Y niet gebruikt en blijven dus 22 aansluitingen over.
Een overzicht van de bovenkant na verwijdering van de bovenplaat.
De vijf afstem-kringen voor (vlnr) De oscillator, HF-2, HF-1, Senseantenne en loopantenne.
Het voedingsgedeelte, links onder in de triller-omvormer met rechts de voedingstrafo. De twee buizen zijn de Thyratrons type 2050.
Een deel van de middenfrequentversterker, het LF-deel en de BFO.
Op deze afbeelding de gehele MF-versterker.
Een instelpotmeter die van af de zijkant instelbaar is. Voor de functie zie de bijgevoegde documentatie.
Deze reserve triller-unit is gemonteerd in de bovendeksel.
Het overzicht van de onderkant.
Een keuzeschakelaar, waarschijnlijk voor de keuze van het MF-filter. (100 kHz of 455 kHz)
Nog wat meer draadjes en buisvoeten. De isolatie van de kabels is uitstekend en na ca. 75 jaar nog altijd 100% intact.
De indrukwekkend vijfvoudige afstemcondensator met de tandwielaandrijving die dmv de bowden-kabel en de bedieningsunit in beweging kan worden gezet.
Het grijze kastje met onbekende inhoud, dat komt nog wel...
Terug naar boven
Mounting.
De MT-2/4C ? ARN6 met bevestiging.
Aan de achterkant de 22 stekkerbussen voor het aansluiten van de ontvanger.
Nadat de deksel verwijderd is kan de bedrading bewonderd worden.De meeste draden gaan naar de controlbox, verder een aansluitkabel voor de 28 Volt spanningsvoorziening.
De interne bedrading van MT-273, deze is geschikt om twee controlboxen aan te sluiten. MT-204 is identiek, alleen het relais met K501 ontbreekt en alleen geschikt voor één control-box.
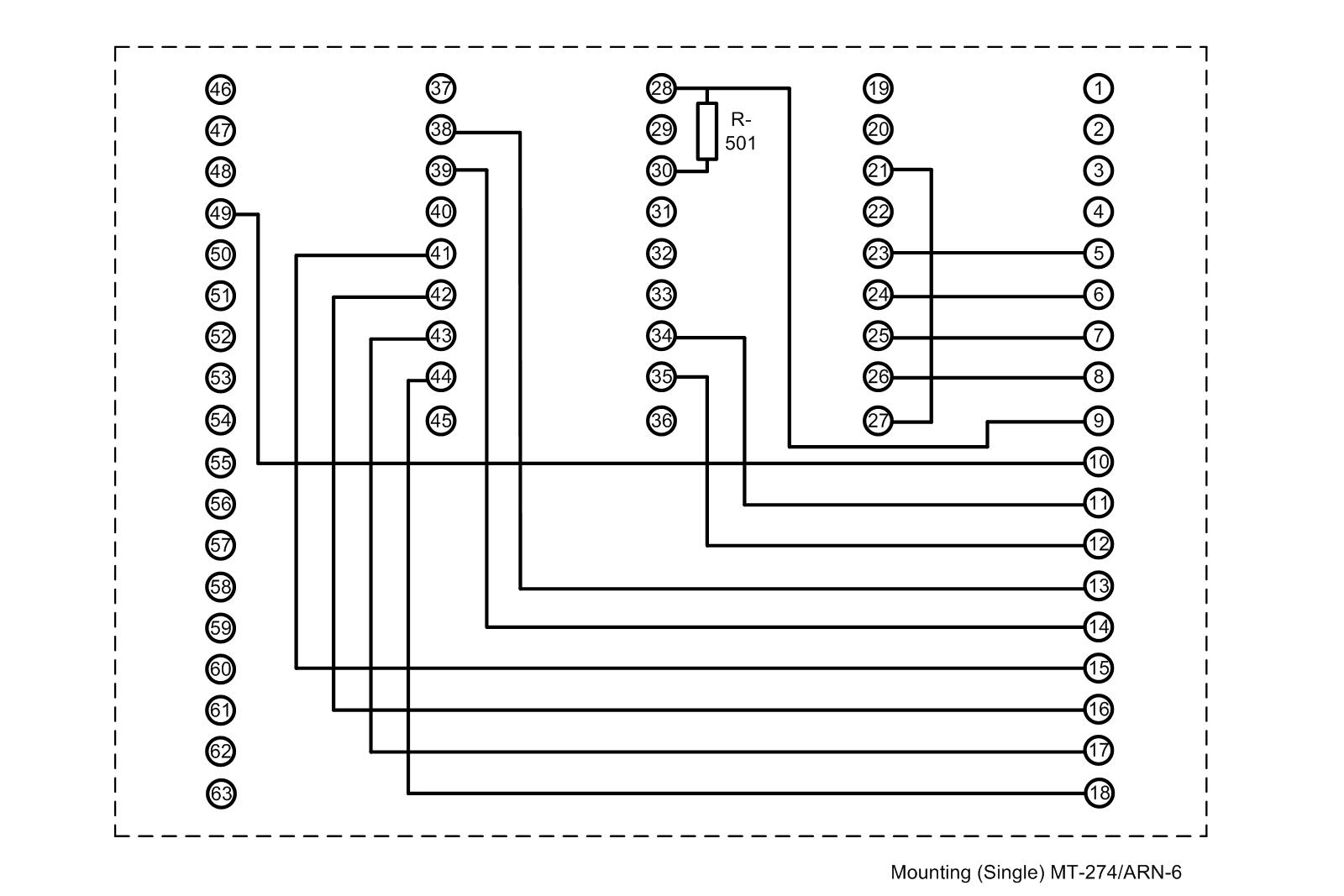
De interne verbindingen van Mounting MT-274.
De verbindingen van de aangesloten apparaten aan MT-274.
De nogal onoverzichtelijke aansluitingen van de vier verschillende Control-boxes aan de mounting. Spannender is het nauwelijks te maken.
De aansluitingen staan, om niet helemaal van slag te raken, per stuk ook bij de vier control-boxen.
De 28 Volt spanningsvoorziening voor de mounting.
Besturingseenheden. ( Controlboxes)
Er werden ook verschillende Control-Panel gebruikt. Afhankelijk van waar het radio-compass werd ingezet.
De volgende types zijn geschikt voor de ARN-6:
De C-758A/ARN-6
De C-758A/ARN-6 uit het manual
De aansluitingen van de box naar MT-273 of MT-274.
De C-403A/ARN-6.
De C-403A/ARN-6.
De C-403A/ARN-6., zo ziet mijn exemplaar er uit. De aansluitingen aan de zijkant.
Door op de twee afbeeldingen te klikken krijgt u een vergroot beeld in een apart venster,
Het binnenwerk van de controlbox.
Het schema van de controlbox.
DE aansluitingen volgens het manual, nauwelijks te lezen....
De nummering maar opnieuw getekend. De draden zijn van labeltjes voorzien, deze zijn echter in de loop der jaren redelijk onleesbaar geworden. Maar zoals het op bovenstaande tekening staat is het correct.
Hier nogmaals het verband tussen de benaming van alle draadjes.
C-149A/ARN-6
De , C-149-A / ARN-6 uit het Technical Manual. Uitgerust met een S-meter, daar zullen de radioamateurs wel blij mee geweest zijn.
De linker afbeelding is de Amerikaanse uitvoering van de C-149A/ARN6 in zwarte wrinckle-lak. De rechtse is de Canadese uitvoering in een soort "luchtmacht-blauw" . Elektrisch en mechanisch zijn ze identiek.
Door op de twee afbeeldingen te klikken krijgt u een vergroot beeld in een apart venster,
De betekenis van alle organen staat op de box, verdere uitleg is overbodig.
De S-meter en de bereikschakelaar met erboven de afstemschaal.
De onderkant. De socket aan de bovenzijde is voor het aansluiten van een hoofdtelefoon. Rechts onder de aansluiting van de Bowdenkabel voor het bedienen van de afstemming. Het grote gat is de doorvoer van aansluitkabel naar de ontvanger.
De bedrading. De ronde cirkel is de aansluiting van de 22 contacten aan de pennen van de mounting.
Het typeplaatje met serienummer.
De MT-275/ARN-6. De mounting van de controlbox. De bedrading is hier nog niet aangebracht.
De Canadese uitvoering, alleen de kleur is anders.
Wat details van de afstemming.
Ook bij deze de hoofdtelefoon-aansluiting boven, Het gat voor de aansluitkabels van de mounting, Rechts de Bowdenkabel-aansluiting.
Het Canadese typeplaatje.
Het binnenwerk ziet er eender uit als die van de Amerikaanse uitvoering,
Dit is het schema van de C-149A/ ARN-6 met de aansluitingnummers van de mounting van de ontvanger.
Het bedradings-overzicht.
De C1514A/ARN-6..
De control-box type C1514A/ARN-6..
Bij deze box is geen S-meter aanwezig en het kastje is beduidend kleiner dan die van de andere control-boxes.
Vooraanzicht.
De bereikschakelaar met schaal. De ontvanger staat vast afgestemd op een regionale etherpiraat......
De achterkant met aansluitplug en Bowdenaansluiting.
Het typeplaatje met serienummer.
Het schema.
De bedrading van de C1514A/A met de mounting.
Overzicht van de C-1514A/A.
Voor alle duidelijkheid, de connector-aansluitingen op de achterkant van de controlbox van P-101. De letters komen overeen met die van het schema.
De Bowdenkabel voor de afstemming.
Loop-antenne.
De Loop-antenne AS-313/ARN-6 De klemmen die de loophouder op z'n plaats houden dienen bij de installatie losgemaakt te worden om de juiste correctie in te stellen.
De glazen stolp waarin de antenne draait. Het geheel is met stikstof gevuld om een constante kwaliteit te garanderen, dus niet open maken. De lichtbruine bekleding is gemaakt van een soort jute met daarin geweven koperdraad, tenminste daar lijkt het op. Of dit een soort afscherming is??? De eigenlijke loop betsaat uit 6, 12 en 6 windingen, dus 24 in totaal maar wel opgedeeld in resp. left (6), right (12) en left (6).
Het schema van de antenne.
De tekstplaatjes en serienummer van een ander exemplaar.
Op de loop die ik nu heb staat alleen dat hij overhauled is door AEG-TELEFUNKEN in München op 18 juni 1971. Ik had er bij kunnen zijn, van 1969 tot/met 1978 was ik lange periodes in München, alleen bij een andere firma, SIEMENS. Het blijkt echter wel dat dit systeem in die tijd nog gebruikt werd.
De teksten op de onderkant, beetje lastig te lezen, dus de tekstplaatjes even horizontaal gezet, zie onder:
De eerste tekst.
En de tweede.
De beide aansluitpluggen. De zeven-polige is voor de besturing van de aandrijf-motor. De drie-polige voor de aansluiting van de raamantenne.
De besturingskabel met aansluiting naar de mounting. Aangezien de peilantenne en de senseantenne zowel onder als op het vliegtuig geplaats kunnen worden diene de draairichting aansluitingen volgens de onderste tabel te worden aangesloten.
De aansluitkabel van de antenne.
De drie-aderige kabel.
Er zijn twee lengte-uitvoeringen.
Indicator.
Zo ziet zo'n indicator er uit. De ID-91/ARN-6 en deze is afkomstig uit het Duitse leger. Het voordeel van deze is wel dat het lijkt of de verf lichtgevend en radio-actief is. Een test heeft bewezen dat deze absoluut niet straalt. Er werden verschillende types gebruikt, ook versies die wel degelijk licht gaven.
De gebruikte types zijn : ID-90A/ARN-6, ID-91A/ARN-6, ID-231A, of D, of E
/ARN-6.
Met het knopje aan de linker kant kan de school verdraaid worden.
De achterkant met de connector. Deze is vierpolig, de servomotor wordt hiermee gevoed.
Kabel 2 voor de verbinding van de indicator met de R-101.

De kabel nr. 4, wat het verschil is met kabel 2 weet ik nog niet.
Documentatie.
TM11-5125 Technical Manual Radio Compass AN/ARN-6
Een document van de Luchtmacht Electronische en Technische School.
Toevoegingen uit een Frans manual.