De Wireless Set No.38 AFV werd ontwikkeld voor het gebruik in combinatie met de No. 19 Set installatie in een tank of een ander gepantserd voertuig.

Dit is de combinatie van PA0GSB.

En zo kan het er ook uit zien. Soms worden de sets ook boven op elkaar gezet.

De apparatuur in een tank gebouwd. ( Zie Wireless for the Warrior Deel 2 van Louis Meulstee)
De set bestaat uit twee delen, de WS-38 en de Power Supply and LF Amplifier Unit No.1.

De beide kastjes broederlijk naast elkaar, links de PSU en rechts de transceiver.

Het front van Unit No.1.

Type plaat met serial-number.

Front van de WS-38. In de gedeukte rechthoekige bak rechts, bevindt zich een relais dat de functie van de zend-ontvangst-schakelaar vervult.

Ook hier van een typeplaatje.

In de meeste gevallen wordt de combinatie boven op een WS-19 gemonteerd. De verbinding tussen de beide kasten vindt plaats dmv. een kabel met 12-polige connectors. Vanuit de PSU-unit gaat via een 6-polige stekker een verbinding naar een control unit No. 16 die weer met andere control-units in verbinding staat, maar vooral met de WS-19. De spreek en luister-garnituur van de WS-19 wordt ook gebruikt voor de WS-38 . Foto uit WFTW deel 2 Louis Meulstee. De control-units 16 en 17 zijn heel moeilijk verkrijgbaar.

Rechter zijkant van de radio, daar past ook geen relais bij in. De Britten hadden een vooruitziende blik en bouwden al vast een Philips condensator in, goede kwaliteit. (Misschien toch door de restaurateur gedaan......)

Wat meer details van de bedradingskant.
Het zelfde, maar nu op de kop.

Idem.

De achterkant met MF-trafo.

Achter- en boven-kant

Blik op de bovenkant. De opbouw is afgezien van het relais identiek aan de normale WS-38.

Details van de bovenkant.

De buizen zijn aan de onderkant gemonteerd.

De achterzijde van de PSU. De triller is al eens geopereerd en voorzien van een rood noodverbandje.

Linker kant van Unit No.1

Een blik op de rechter zijde.

De ATP4 is hier goed te zien. Links daarvan de gelijkrichters, solide werk.

Nog wat details van de schakelaars op de frontplaat.

De interconnection-kabel Nr. 50 , ZA 10606

Met connector ZA 10625. Er waren ook andere verbindingskabels, de No. 50A, dat was er een met zo'n dik verbindingsstuk, net een hondenbot.
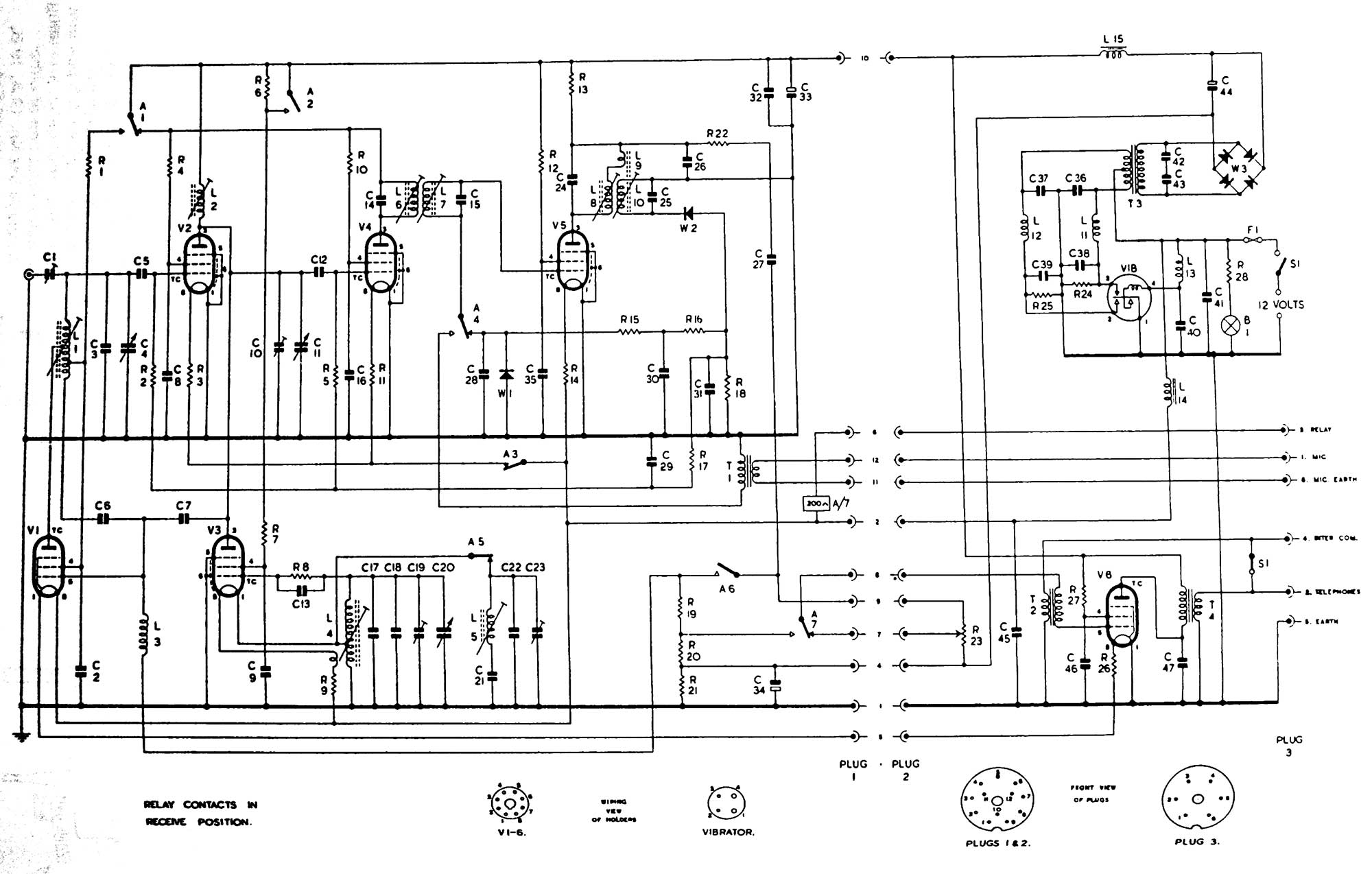
Het schema van de combinatie, klik voor een vergroting of nog beter, bekijk het boek.
Voor meer info over de set raad ik U het prachtige boek van Louis Meulstee aan, Wireless For The Warrior deel II