De Miniatuur (of Midget) Communicatie Receiver MCR-1 werd oorspronkelijk (in 1943) ontwikkeld als onderdeel van een zender-ontvangersysteem dat bekendstaat als de Jedburgh Set. Deze opstelling is vernoemd naar Operatie Jedburgh, een plan van de SOE dat onderdeel was van de Brits-Amerikaanse strategie voor de bevrijding van Europa in 1942. Ongeveer 300 leden van de strijdkrachten van voornamelijk Groot-Brittannië, Amerika en Frankrijk werden gerekruteerd om een aantal teams van drie man te vormen (er waren ook acht Nederlanders, twee Canadezen en een Belg). Deze teams werden in bezet gebied gedropt om verzetseenheden te trainen en te bewapenen. Tussen D-Day en het einde van de oorlog werden meer dan 100 Jedburgh-missies uitgevoerd.
Inhoudsopgave:
6. - De MBLE-uitvoering van de MCR-1.
9.- Documentatie en informatiebronnen..
1. - Algemeen.
De MCR-1, gebouwd door Philco UK, stond officieel bekend als de 36/1 en van 1943 tot het einde van de oorlog werden er zo'n 30.000 exemplaren geproduceerd, waarvan vele als omroepontvangers aan verzetseenheden werden gedropt. De gegevens over de aantallen varieren nogal, de hier besproken set heeft het serienummer 72863. De nummering werd vaak heel erg verhoogd aangegeven om de vijand te misleiden.
Het is een superheterodyne met vijf miniatuurbuizen (buizen 1R5 en 1T4) met een frequentiebereik van 150 kHz tot 15 MHz en een middenfrequentie (IF) van 1,73 MHz. De bandomschakeling vindt plaats door middel van spoelunits die in het uiteinde van de ontvanger worden gestoken. De voeding werd normaal gesproken geleverd door een 7,5 V/90 V droge batterij, maar er was ook een netvoeding van het type 38/1 verkrijgbaar.
Door op de afbeelding te klikken verkrijgt u een vergroting in een apart venster.
Op de afbeelding de complete set. (Foto van het Cryptomuseum.)
Ik bezit alleen de ontvanger met de vier bijbehorende spoelblokken en houd me aanbevolen voor de rest.............
Toen de MCR1 in bezet Europa werd gedropt, werd hij verborgen in een Huntley & Palmer-biscuitrommel, en kreeg daarom de bijnaam "biscuittrommelradio". De ontvanger werd geleverd met vier spoelbakjes, een hoofdtelefoon van 120 ohm, een voeding en een antenne.
Het gebruikte type biscuitblik. Een oom van mij had een kruidenierszaak en bewaarde theepakken in de blikken, hij had er heel veel, maar ja die zijn verdwenen.
(Foto van het Cryptomuseum.)
De inhoud van zo'n blik. (Foto van het Cryptomuseum.) Deze is is zo ongeveer "Nieuw in doos" .
2. - Foto's van de MCR-1.
Dit is dan het hier te bespreken exemplaar. Zo te zien heeft de radio al wat meegemaakt.
Het serienummer, nou, zoveel zijn er toch echt niet gemaakt. De helft is wat realistischer, maar waar zijn ze allemaal gebleven????
De voorzijde met de bedieningsknopjes. Opvallend is dat een aan/uitknop ontbreekt. Je moest inderdaad de batterij afkoppelen om het toestel het zwijgen op te leggen.
De terugkoppeling en de gevoeligheidsinstelling. Een volumeregelaar ontbreekt, dat regel je met de "Sensitivity". De "Reaction" is een apart verhaal. De detectie van het middenfrequentsignaal ( 1730 kHz) vindt plaats met een roosterdetector die een terugkoppeling heeft. Dit was gedaan om ook CW-signalen te kunnen ontvangen. Het had verder als voordeel dat de bandbreedte ( bij 1730 kHz redelijk breed) redelijk smal kon worden gemaakt door de detector op het randje van oscilleren te zetten. Dit werd vroeger ook toegepast in amateurontvangers en heette dan Q-multiplier. .
De grote afstemknop waarbij de schaal boven op het kastje zichtbaar is. Met de AE-trimmer kant de ingangskring nog wat aangepast worden. Overigens werkt deze trimmer alleen voor de sets nr.2 t/m 4. Bij de lage band van 150 kHz tot 1,6 MHz werkt deze knop niet.
De afstemschaal en links de aansluitpennen voor het spoelblok.
De ander kant van de radio met de aansluitingen voor de antenne, de aarde en de hoofdtelefoon. De impedantie van de koptelefoon is 120 Ohm.
Het stekkertje van de voeding. Het is dezelfde die ook toegepast werd bij bv. de WS-18.
3. - Het binnenwerk.
Wanneer de behuizing verwijderd wordt (20 schroefjes), is het binnenwerk te bezichtigen.
De opstelling van de componenten.
De afstemknop en de AE-trimmer en de antennespoel.
De rechter zijde met de uitgangstrafo en de 1T4 LF-versterker.
De ander kant, links de tweede IF-spoel met terugkoppelspoel, 1T4, detectorbuis, 1T4, MF-versterker, eerste MF-trafo met links de secundaire kant en rechts de primaire. Dan de 1R5 mengbuis met rechts de afstem-C. Onder is de afstemschaal goed te zien.
De detectorbuis en de eerste IF-buis. Met een koperen afscherming tegen de straling van de secundaire van de 1. MF-trafo.
De afsrtemming.
Wanneer de frontpaat verwijderd is kan de componentenkant van het weerstandbord bekeken worden.
Bovenaanzicht.
Links onder de 2. IF met terugkoppelwikkeling. Daar boven de voedingsspanning-aansluitingen. Daar naast V1D, de LF versterker met bijbehorende uitgangstrafo, rechts daarvan het antennefilter. Onder de LF-trafo, V1B, de MF-versterker met de secundaire van de 1. MF-trafo.
Boven de AE-trimmer en de oscillatorbuis. Onder de primaire van de eerste MF-trafo met de mengbuis. En natuurlijk de afstem-C.
Het stekkerbordje voor de spoelset..
Het stekkerbord.
Het aansluitbord van de Earth en Antenna en de PHones. Rechts de potmeters voor de terugkoppeling(boven) en de gevoeligheid (onder).
4. - De Spoelsets.
De vier spoelsets.
De bijbehorende schalen Op de linkerzijde de afstemschaal-nummering met links de bijbehorende frequentie.
Spoelset No. 1 . Ook toen werden er al potkernen voor de spoelen gebruikt. Bereik 1 150 kHz - 1,6 MHz
Bovenaanzicht van no.1.
No. 2 , Bereik 2, 2,5 MHz - 4,5 MHz

Bovenaanzicht van No.2.
De schema's van set no.1 en no.2.
No.3 Bereik 3 4,5 MHz - 8 MHz
Bovenaanzicht van No.3.
Spoelset No.4, Bereik 4 8 MHz - 15 MHz
Bovenaanzicht No.4
De schema's van no3 en no.4.
Een ruimtelijk aanzicht van de coilsets.
5. - De voedingsunit 38/1
De voedingsunit 38/1.
Bovenaanzicht.
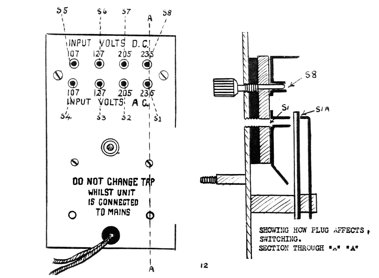
De netspanning ingang.
De spanningsinstelling. De voeding was levensgevaarlijk, een autotransformator waar bij de beide kanten direct aan de netsapnning liggen, maar één daarvan ook als min gebruikt wordt voor de voedingsspanning van de radio.
DFer aansluitingen.
Het binnenwerk van de psu.
Het basis DC-circuit.
De andere kant, al gerepareerd met een echte "mosterd"-condensator van Philips.
Basis AC-circuit.
Het weerstandbord aan de onderkant.
De componenten in de voeding.
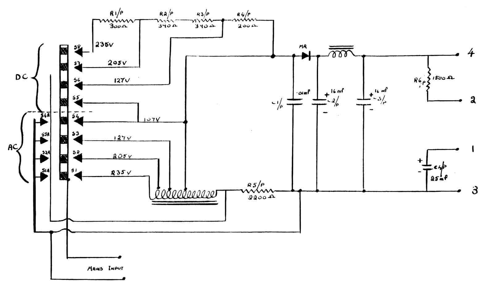
Het complete schema. Een ingewikkelde manier om de juiste uitgangs-spanningen te realiseren. Maar ja, dat moest ook kunnen met zeer verschiollende netspanningen.
6. - De naoorlogse uitvoering van de MRC-1 van het MBLE.
Eind jaren 50 werd een Belgische versie van de MCR-1 geproduceerd door een Belgische dochteronderneming van Phillips, genaamd Manufacture Belge de Lampes et de Materièl Electronique (MBLE). Afgezien van enkele wijzigingen in het type componenten is deze versie mechanisch en elektrisch identiek aan de originele MCR-1, maar de opschriften zijn in het Frans en er is een plaatje met de tekst "MBLE" aan de zijkant. Er zouden in België maar een honderdtal van deze ontvangers zijn gemaakt.
Alles verpakt in een keurig tasje.
Boven de "Goudkleurige" MBLE-uitvoering met Franse tekst. De knopjes zijn er ook anders uit.
De Belg met een bijbehorende spoelset.
De bussen voor de antenne , aarde en phones.
Het schaaltje is geel. De taal op de spoelsets is ook Frans, wel consequent dus.
Duidelijk waar dit product vandaan komt. Dit is dus nummer 9 van de 100. Toch wel zeldzaam.
De vier Coil-sets.
De MBLE .
De tweede MF-heeft bij de MBLE geen afscherming en de MF-buis heeft een complete afschermbus.
Een blik op de andere kant.
Ook hier wel wat afwijkingen, vooral de uitgangstrafo.
Het bovenaanzicht, het ziet er wat netter uit en de buizen zijn ook bevestigd met veertjes.
De verschillen zijn ook hier duidelijk te zien.
Hier nog een opname van het weerstandsbord.
Een echte aardpen.
10 meter draad op een haspel met isolator.
Hoofdtelefoon met oorwarmers.
Zo moet de hoofdtelefoon op je hoofd passen.
7. - Toebehoren:
De gehele uitrusting met batterij.
En nog zo'n complete verzameling.
De batterij, de afmetingen zijn ongeveer die van de set zelf. Twee oplaadbare li-ion batterijen er in voor de 7,5 Volt en een transistor omvormer (ook gevoed door de 7,5 Volt) voor de 90 Volt en klaar ben je.
De antennedraadhaspel die tevens als isolator dienst doet.
8. - De constructie en werking van de ontvanger.
MECHANISCH ONTWERP
De radio bevindt zich in een lange stalen doos, grijs geverfd en bijeengehouden met zelftappende schroeven. Aan één kant van de doos steken pennen uit om in de coilset te verbinden. Aan de andere kant zitten vier aansluitingen en de stroomkabel. De aansluitingen zijn gemarkeerd met PH voor de hoofdtelefoon, A voor de antenne en E voor de aarde.
Wanneer de behuizing wordt verwijderd, komt een lang stalen chassis tevoorschijn. Aan de ene kant bevinden zich de grote componenten: de afstemcondensator, middenfrequenttransformatoren, de audiotransformator, de trimmer, de potentiometers en de buizen. Aan de andere kant bevindt zich een geïsoleerde printplaat, waarop de meeste kleine componenten zijn gemonteerd. De weerstanden en condensatoren zijn netjes in twee rijen gemonteerd. De soldeerlippen steken door de printplaat en zijn aan de onderkant met draden verbonden. Ze worden vervolgens met korte draden verbonden met de buisaansluitingen en andere componenten. De buizenvoeten en de componenten aan de onderkant zijn moeilijk bereikbaar. De buizenvoeten zijn van keramiek.
Het antennefilter en de laatste middenfrequenttransformator zijn ondergebracht in aluminium afschermingen. Het antennefilter en de MF-trafo zien er wat vreemd uit, maar dat komt omdat ze ondersteboven gemonteerd te zijn, zodat ze aan de bovenkant open zijn en het afgedekte uiteinde zich aan de onderkant bevindt. De eerste middenfrequenttransformator lijkt uit twee transformatoren te bestaan. Eén ervan draagt echter de primaire wikkeling en de andere de secundaire wikkeling. Ze zijn onafgeschermd en dicht bij elkaar gemonteerd voor koppeling. Elke wikkeling bevindt zich in een ferrietpotkern en heeft een afstem-kern.De middenfrequent-versterkerbuis heeft een ronde koperen afscherming, vastgeklonken aan het chassis die tot halverwege de buis reikt. De potentiometers zijn voorzien van de normale drie lipjes, één voor de loper en twee voor de totale weerstand. Ze verschillen doordat het lipje voor de loper zich aan één uiteinde bevindt en niet in het midden van de drie lipjes, zoals gebruikelijk is. Bovendien is de loper verbonden met de metalen potentiometerkap.
De hoofdafstemknop heeft een reductieverhouding van 3:1. Dit is voldoende voor de twee laagste frequentiegebieden, maar een grotere reductieverhouding zou het afstemmen in de hoge frequentiebereiken beter maken. Deze ontvanger heeft een planetaire aandrijving (Balldrive) en een schaalverdeling van 0 tot 180. Deze schaalverdeling verwijst naar de schaalverdeling op de aangesloten coilset, zodat de gewenste frequentie kan worden ingesteld. Dit is een vrij complexe schaalverdeling voor zo'n eenvoudige ontvanger. Opmerkelijk is de aardingsdraad die met de vertraging is verbonden.Deze is verdwenen in de MBLE-set
ELEKTRISCH ONTWERP
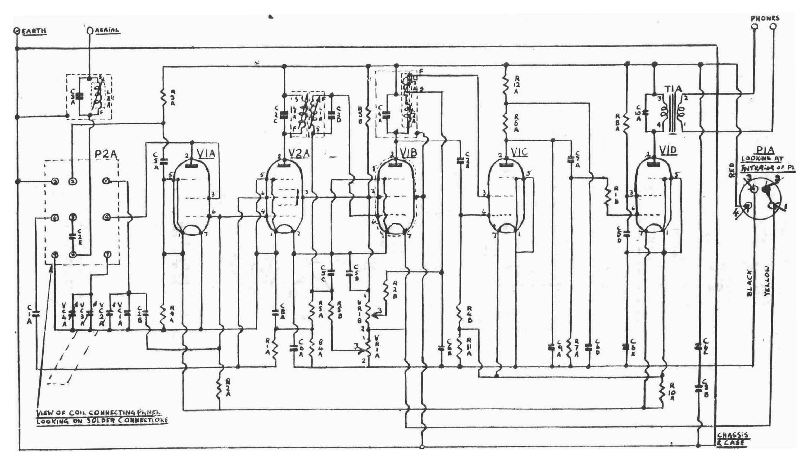
Het schema zoals het in het manual staat.
Hier een schema met componentwaarden.
De antenne komt de radio binnen via een banaanstekker, passeert een fluitfilter (1730 kHz) en vervolgens de coilset.
Voor bereik 2 en 3 bevat de coilset een HF-transformator, die in resonantie wordt gebracht door de variabele afstemcondensator. Het signaal wordt vervolgens via een condensator gekoppeld aan de mengbuis. Bereik 4 is hetzelfde, behalve dat de secundaire transformator niet is afgestemd. Bereik 1 heeft geen HF-transformator. Deze bevat een LPF (laagdoorlaatfilter). Deze is niet aangesloten op de variabele afstemcondensator. Het signaal wordt via een condensator gekoppeld aan de mengbuis.
Elke coilset bevat ook een andere HFoscillatorkring, die wordt gebruikt door de lokale oscillator en in resonantie wordt gebracht door de andere helft van de afstemcondensator. Merk op dat het afstembereik van de oscillator een verhouding van 1 op 8 heeft tussen de hoge en lage frequentie. De HF-transformator van de antenne moet de oscillatorfrequentie volgen met een middenfrequentoffset (1730 kHz). Dit is een normale superheterodyne-praktijk en wordt gebruikt voor spoelkasten 2 en 3. De MCR1 doet dit niet voor coilsets 1 en 4. Coilset 4 heeft geen afstemming. Coilset1 heeft een frequentiebereikverhouding van 1 op 10, wat moeilijk te bereiken zou zijn. In plaats daarvan wordt de LPF gebruikt om ervoor te zorgen dat er geen hoge spiegelfrequenties worden ontvangen. Dit is de "single span"-methode (zie Langford Smith en Sturley , In some cases, where the intermediate frequency is higher than the highest received signal frequency (as in single span receivers), it is possible to tune the oscillator only and use low-pass filters for the signal circuits, However, it is generrally preferable to use tunable signal circuits. ). De oscillator heeft nog steeds een verhouding van 1 op 1,8 (1880 kHz tot 3,33 MHz), ook al heeft de RF een verhouding van 1 op 10 (150 kHz tot 1,6 MHz).
De radio maakt gebruik van slechts twee soorten buizen, waarvan een mixer (1R5) er één is. Alle andere functies worden uitgevoerd door een pentode(1T4). Dit zou de levering van reserveonderdelen relatief eenvoudig maken. Je zou verwachten dat een batterijradio met vijf buizen een RF-versterker of een tweede middenfrequentversterker heeft. Deze radio heeft dat niet. De eerste buis, V1A, is een pentode (type 1T4), die als triode is aangesloten en als lokale oscillator wordt gebruikt. De mixer, V2A (type 1R5), is niet zelfoscillerend, maar heeft de lokale oscillator in het eerste rooster geïnjecteerd.
Het middenfrequentsignaal wordt via de dubbele middenfrequenttransformatoren van het anodecircuit naar de middenfrequentversterker V1B (type 1T4) geleid. De transformator bestaat uit twee afzonderlijke spoelen met nabijheidskoppeling. Over de hoogfrequentleiding bevindt zich een spanningsdeler, bestaande uit R3B en VR1B. Deze stelt de vaste schermspanning van V2A en V1B in. Potentiometer VR1B regelt de schermspanning van V1C om de oscillatie van de detector (TERUGKOPPELING) te regelen. Potentiometer VR1A bevindt zich over de gloeidraadvoeding en regelt de roosterspanning van V1B om de RF-versterking (GEVOELIGHEID) te regelen. Deze radio heeft geen automatische versterkingsregeling (AGC).
Het signaal van de V1B-anode wordt via een condensator (C2A) gekoppeld aan het rooster van de detectorbuis V1C (type 1T4). Er is ook koppeling van de V1B-anode via de transformator L2A/L3A naar de afscherming van V1C, die wordt gebruikt voor de terugkoppeling. De anodet van V1C is via een condensator gekoppeld aan het rooster van de audio-uitgangsbuis V1D (type 1T4). De anode van deze buis is vervolgens via een transformator gekoppeld aan de hoofdtelefoon met lage impedantie.( 120 Ohm).
De gloeidraden van de vijf buizen zijn in serie geschakeld en werken op 7,5 volt gelijkspanning. De positieve gloeidraad-batterijverbinding gaat naar V1B, vervolgens naar V2A, vervolgens naar V1A, vervolgens naar V1D, vervolgens naar V1C en vervolgens naar de negatieve gloeidraad en de hoogspanningsbatterij. De gloeidraden zijn op deze manier zo geplaatst om de voorspanning te verhogen. Er zijn weerstanden over de V1A-gloeidraad, de V1C-gloeidraad en de V1D-gloeidraad. De gloeidraad en de negatieve gloeidraad zijn niet verbonden met het chassis, maar met een geïsoleerde klinknagel op het chassis. Dit kan worden gebruikt als referentie voor het meten van spanningen. Het chassis/de behuizing/de aarde is nergens op aangesloten, behalve op de onderkant van de antennewikkeling in de spoelkast. Er is een grote condensator C8B die het chassis elektrisch verbindt met de negatieve gloeidraad. Dit is geen probleem bij gebruik van de HT/LT-accu. Bij gebruik van de powerpack wordt deze radio een "transformatorloze radio" ofwel "prik op het chassis", daarom zijn deze voorzorgsmaatregelen genomen.
9. - Documentatie en bronnen.
De bronnen waaruit sommige teksten en fotos zijn geput:
Louis Meulstee, Wireless for the Warrior deel IV.
Radiotron Designers Handbook. Let op bijn 40 MB!!
Van tuberadio.com: MCR-1