Een bijzonder kastje, vooral het logo van de het Air Ministry er op. Het geheel is onder gebracht in een houten kistje met een glasplaat er voor.
Dit type B werd gebruikt voor de afstandsbediening van hoogvermogen W/T (Morse) zenders, waaronder de zenders T.70 en T.1087. De morsecode-operator kon zich kilometers ver van de zendlocatie bevinden, en dit instrument, verbonden met de locatie via telegraafdraden, volgde getrouw zijn/haar morse-code om de zender te bedienen. […] Type B (Ref. 5B/138, later aangeduid als 10G/138). Voeding: 14 V wisselstroom via een bruggelijkrichter. Spoelen van 500+500 ohm in serie, voorzien van gesloten metalen ringen rond de spoelen. Gebruikt voor het op afstand bedienen van een zender. Volgens het RAF Museum in Hendon was Type B (10G/138) tot "enige tijd na 1959" een standaardartikel in de RAF-magazijnen.
Door op de afbeeldingen te klikken verkrijgt u een vergroting in een apart venster.
1. De globale omschrijving.
2. Toepassing van de sounder relaying type B.
3. Het schema en de werking van het geheel.
Volgens de verkoper was het een soort relay-station om het zwakke morse-signaal in een lijnverbinding te versterken. Dat leek me wel een redelijke verklaring. Een seinsleutel op afstand die nog net genoeg signaal produceert om het relais in het kastje te activeren. Sluit je dan aan de maak-contacten van dit apparaat een batterij met voldoende spanning aan en zet je het geheel weer op de volgende lijn, dan heb je inderdaad weer genoeg power om het volgende relais te activeren. Zodoende kun je eigenlijk de hele wereld rond als je maar genoeg draad en kastjes hebt. Bij nader onderzoek blijk dat deze toch voor iets anders bedoeld was. Dit apparaat wordt aangesloten op een telegraaflijn en staat in de buurt van een grote tellegrafiezender. De seinsleutel van zo'n zender moet meestal een vrij grote stroom verwerken om de zender te "sleutelen". Wanneer nu die seinsleutel op behoorlijke aftstand van de zender geplaatst is, zal door de hoge weerstand van de lijnverbinding het sleutelen van de zender niet lukken. Dus je hebt een soort versterker nodig. Wel, dat is nu precies waar dit instrument voor bedoeld is. De reden voor het ver weg plaatsen van de seinsleutel inclusief telegrafist is het feit dat de locatie van de zender gepeild en gebombardeerd kon worden. Een zender is wel te vervangen is niet zo moeilijk, maar een nieuwe telegrafist plaatsen is een wat lastiger zaak.

Het vooraanzicht, het kastje kon aan een wand gehangen worden. De bovenste twee (lichte) sleufjes waren bestemd voor de bevestiging. De onderste sleuven zijn voor de doorvoer van de bedrading.
Het beschermende kastje. Aan de zijkanten haakjes om het binnenwerk vast te zetten. op het midden van de onder- en bovenkant twee paspennen om de zaak goed op z'n plaats te zetten.

De achterkant met de bedrading die in sleufjes naar de aansluitpunten gevoerd wordt. Deze sleuven zijn vol gegoten met een soort harde was.
Het binnenwerk met de aansluitpunten De betekenis van de letters is nergens te vinden. De twee keer 500 zal wel betekenen dat hier aan de spoelen van 500 Ohm aan verbonden zijn. Misschien de D van Distance?? Maar de S, T en M ???, dat zijn de relaiscontacten, T is het moedercontact, S het verbreek- en M is het maakcontct.
Netjes op het hout aangebracht de gegevens van het Air Ministry, waarschijnlijk is het relais een product geweest voor de civiele markt en omgedoopt als A-M model.
Een blik op de een deel van het mechaniek.
De spoelen die voor het aantrekken van de arm zorgen.
De rechter kant met ontelbare instel-mogelijkheden zoals de contact-afstand en de trekkracht van de veer die voor de tehgenkracht van de beide magneetspoelen zorgt.
Het grote wiel rechts is voor de instelling van de veerspanning. Het geribde wiel dient voor het instellen van het rustcontact. Aan de linker kant de wieltjes voor de spleet van het maak-contact. Het ziet er allemaal erg degelijk uit.
De linker kant met het scharnier van de arm. De lagering geschiedt met zogenaamde "taatsen", scherpe punten die in kommetjes vallen. Deze hebben de eigenschap bijzonder wrijvingsarm te zijn. Op het eind van de arm is een klein felxibel draadje te zien dat voor de verbinding van de arm naar de aansluitklem gebruikt wordt.

Nogmaals het vooraanzicht waarbij de twee magneetspoelen duidelijk te zien zijn. Met een spanning van 14 Volt worden deze geactiveerd. De opgenomen stroom bedraagt slechts ca. 15 mA. Daardoor speelt een weerstand van tientallen Ohms van de telegraaflijn nauwelijks een rol en kan op verre afstand het relais met een seinsleutel bediend worden. De contacten van het relais staan in directe verbinding met de seinsleutel-aansluiting van de telegrafiezender. Aangezien bij oudere zenders de sleutelcontacten vaak in katodeleidingen van de zender geschakeld worden kan er op de onderdelen van het relais wel eens een stevige spanning staan. Om aanraking te voorkomen en er voor te zorgen dat de boel niet verstoft is de beschermingskap noodzakelijk. Zie voor de volledige uitleg van dit mooie stukje techniek het einde van de pagina.
dez foto zijn de taatspunten beter te herkennen. Op de achtergrond is de veer te zien die voor de tegendruk van de sleutel zorgt. In feite kun je hiermee de gevoeligheid van het relais instellen.
Het verbindingsdraadje.
De achterkant met de rug van de hoefmagneet. De arm van het relais is in rust niet aangetrokken door het vaste magnetisme van de magneetspoelen. Zou gauw er een stroom door de spoel loopt zal de vaste magneet de behulpzaam zijn bij het het aantrekken door de twee electro-magneten het maak-contact activeren.
De meest linkse vier draden gaan naar de beide spoelen die bij de aansluitpunten in serie zijn geschakeld. De twee linkse schroeven zijn van het maak- en verbreek-contact van het relais. De meest rechtse draad is verbonden met het moedercontact T (arm) van het relais.
Er staat op Youtube een filmpje van een Engelsman die een uitleg van dit instrument geeft. Volgens mij klopt er niets van het verhaal. Hij beweert namelijk dat de persoon die bij het relais zat ,het tikken van het relais beluisterde en als morse-code op nam. Vervolgens seinde hij met de seinsleutel die aan de zender of volgende lijn verbonden was de opgenomen tekst. Verder had hij het over een schrijvende morse-opneme. Dat was het beslist niet. Dit zou alleen maar fouten veroorzaken en waarom opnieuw seinen terwijl er al dikke seincontacten op het relais zitten? Waarschijnlijk is de kreet "Sounder" wat te letterlijk opgevat. Met de buzzers die op veldtelefoons of remote control-units zaten kun je wel morsetekens opnemen en met een aparte seinsleutel een antwoord sturen. Maar zo werkt dit apparaat niet.
Terug naar begin van de pagina
2. Toepassing bij de T-70 en T-1087 zenders..
Na enig speurwerk wat beeldmateriaal gevonden van de zenders die gebruik maakten van de Sounder Relaying units, als eerste de T-70 van het Air Ministry. Een krachtige zender die als grond-radio werd gebruikt.
De T-70 is niet bepaald een portable.
Zo zien de eindbuisjes er uit, niet voor QRP-werk.
Dit is zo'n VT-31, anodespanning 5000 Volt en anodedissipatie 250 Watt !!! Met twee van die knapen kun je je wel vertonen.
En dit is de T-1087, ook niet te klein.
En dan het remote control-panel. Gelijk met drie units en bijbehorend spul. Eén van de units wordt voor het inschakelen van de LT ( Gloeispanning ed.) , een tweede exemplaar om de HT ( Hoogspanning) in te schakelen en een derde om te sleutelen. En dat kon allemaal op grote afstand bestuurd worden.
Terug naar begin van de pagina
3. Het schema en de werking van de unit.
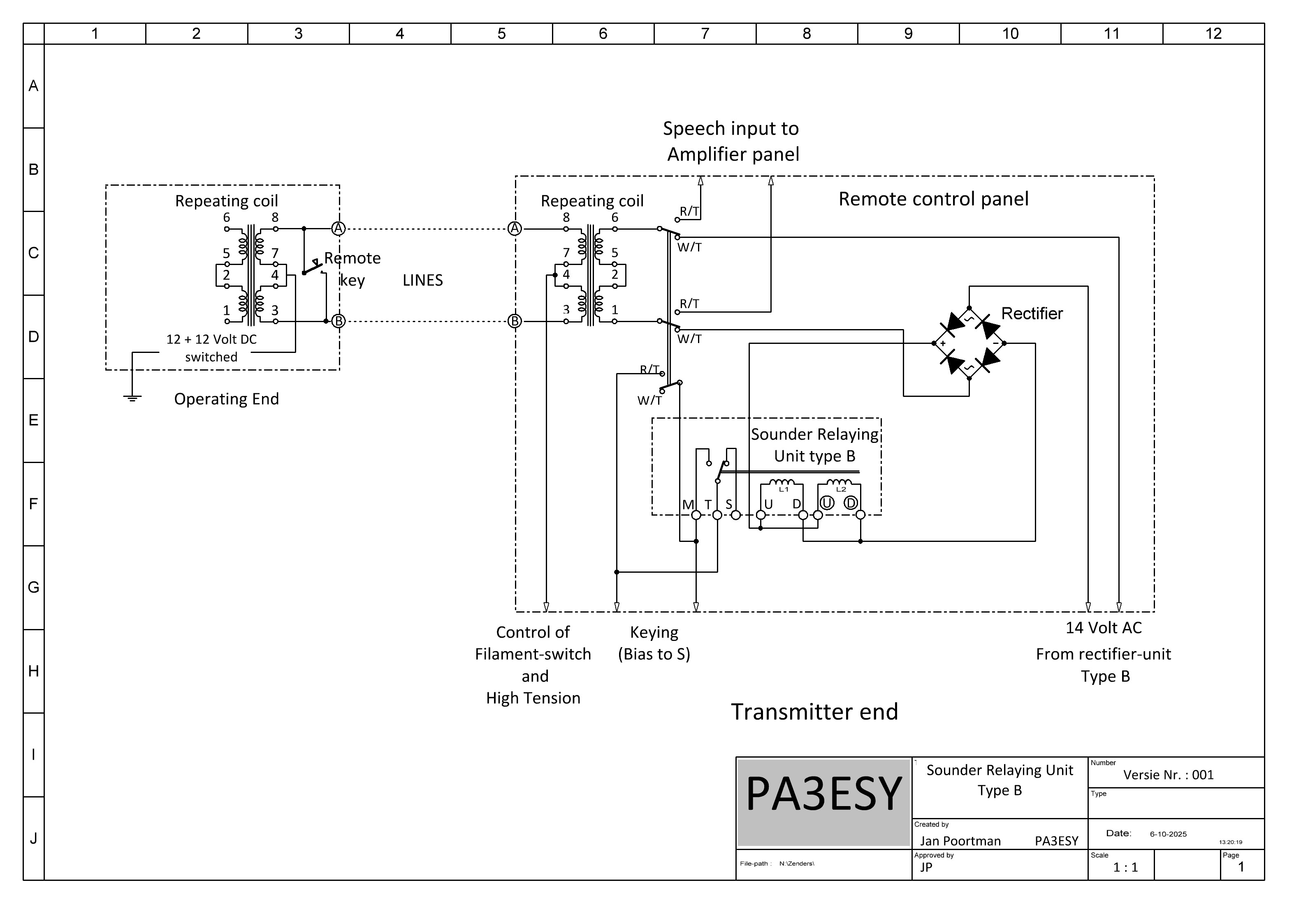
En zo ziet zo'n besturing er uit. De werking van de sounder-relaying unit type B. Een uitermate slim systeem, het heeft even geduurd voor ik uitgevonden had hoe het werkte. Vanaf een op afstand geplaatste remote control-unit wordt het remote control-panel aangestuurd via twee lijnen, A en B en aarde. De signalen die over die lijn moeten gaan zijn: Aan/uit van de gloeidraden van de zender, het inschakelen van de hoogspanning en het LF-signaal van de koolmicrofoon. De eerste twee functies worden met een gelijkspanning van 24 Volt uitgevoerd. Een ingewikkelde schakelaar zorgt er voor een DC-spanning op de middenaftakking van de remote repeating coil zorgt via de beide windingen dat de signalen op de lijnen A en B komen. De aarde wordt gebruikt voor de andere pool. Deze spanning komt aan op punt A en B van het remote control-panel van de zender. Ook hier bevindt zich een repeating coil die ook over een middenaftakking beschikt. De gelijkspanning zorgt dan voor het activeren van (hier niet getekende) sounder relaying units die op hun beurt de gloeispanning en hoogspanning inschakelen. Dan kun je nog kiezen voor RT (radio-telefonie) of CW. In de RT stand wordt via een microfoon-trafo het koolmicrofoonsignaal ( de accu van 24 Volt zorgt voor de gelijkspanning van 12 Volt voor de koolmicrofoon). De geproduceerde wisselspanning gaat keurig via de lijnen A en B naar de repeating coil van de zender en gaat van hier uit via de R/T-W/T-schakelaar naar de ingang van de modulator-versterker. Dat is nog tamelijk simpel. Maar nu het sleutelen van de zender. Dat lukt met een zwak signaaltje op de lange lijn-verbinding niet zo goed. Verder is dat ook levensgevaarlijk vanwege de hoge spanning op de key-contacten. Wat hebben die slimmerikken nu bedacht....
Wanneer de R/T-W/T-schakelaar van de zender in de stand W/T staat loopt er door de secundaire windingen van de repeater-coil op het remote console een wisselstroom die geleverd wordt door een 14 Volt AC-spanning van de rectifier-unit van de zender. Punt 6 is de ingang en punt 1 de uitgang. De punten 2 en 5 zijn door verbonden. Punt 1 is aangesloten op een brugcel, de andere kant van de brugcel ligt aan de ander zijde van de 14 Volt AC-voeding. Tot dusver makkelijk te begrijpen. De bruggelijkrichter maakt er een pulserende gelijkspanning van 14 Volt van.die toegevoerd wordt aan de parallelgeschakelde spoelen van de relaying-unit. De wisselstroom ondervindt echter vrij veel weerstand door de impedantie van de repeating coil. Het sounder relais zal dus niet aantrekken. (Allemaal in te stellen op het relais) Nu komt het, Op de ander kant van de lijnen A en B op afstand is een seinsleutel geplaatst. Zo gauw de sleutel ingedrukt wordt ontstaat er via de lijnen A en B een kortsluiting van de primaire van de ontvangende repater-coil. 't Ja en wat gebeurt er dan?? Jawel de impedantie van de primaire wordt ineens laag en het sounder relaying trekt aan, de contacten T en M maken contact en de zender gaat zenden in het ritme van de sleutelcontacten. Ik had dit fenomeen al eens meegemaakt bij de reparatie van mijn mooie Philips BX925. Daar was aan de secundaire kant van de voedingstrafo een kortsluiting over één helft van de anodespanningsvoorziening. Die zorgde er voor dat primair de zekeringen er achter elkaar uit vlogen en dat zelfs zekeringen met een veel te hoog Amperage
sneuvelden. Met deze ervaring in het achterhoofd kwam ik achter de werking van dit syeteem. Ik heb op de werkbank het geheel opgebouwd. Ik had een trafo met een 28 Volt wikkeling in serie geschakeld als repeating coil. Het sounder-relais trok niet aan, wanneer ik de 220 Volt kant kortsloot met een seinsleutel tikte de unit vrolijk mee. Een geniale oplossing.
De besturing van de inschakeling van LT ( voor de gloeidraden) en HT (voor de anodespanning).

Hierbij wortdt dmv. een schakelaar in het "Operating end" ( links boven) een positieve of negatieve DC-spanning uit de twee,in serie geschakelde 12 Volt accus op de middenaftakking van de repeating coil gezet ( punt 4 en 7) . Deze spanning wordt via de lijnen A en B naar de repeating-coil van het remote-control panel op de punten 8 en 3 gezet en via de miiddenaftakking naar de betreffende Sounder-Relaying units gevoerd. De verbinding tussen de twee accus ligt aan aarde. Aan de andere kant wordt de aarde aan de bias-aansluiting gelegd. De twee Sounder-Relaying units voor de LT- en HT-inschakeling worden nu met een zuivere gelijkspanning met een positieve spanning geactiveerd en niet zoals bij de keying met een pulserende gelijkspanning. (De spoelen van de beide Sounder Relaying units staan parallel geschakeld).De schakel-contacten blijven gesloten totdat de operating-schakelaar weer op Off staat en een negatieve spanning op de relais-spoelen komt.. De relais werken in dit geval als gepolariseerde relais. Met een tweede schakelaar in het "Operating-end" wordt de koolmicrofoon van spanning voorzien en de secundaire van de microfoontrafo aan de primaire van de repeating coil gelegd en via de A- en B-lijn naar de coil in het Remote panel geleid en in de stand R/T vd. schakelaar aldaar naar de ingang van de modulator gevoerd. Met dit systeem worden dus drie functies op drie verschillende manieren van het Operating End naar het Remote-Panel gestuurd zonder elkaar in de weg te lopen. Hoe verzinnen ze het?
De werking is mij nu wel ongeveer duidelijk, maar of ik het op de juiste wijze in woorden heb geschreven is nog maar de vraag......
Terug naar begin van de pagina
4. Documentatie: