Ook dit apparaat komt uit de verzameling van Pieter Lamers
Deze ontvanger, de US-0 "Solovej" is gebaseerd op de Amerikaanse ontvanger BC-348N.( Ontwerp 1938)
De radio is vrijwel een exacte kopie van de Amerikaanse RCA BC-348 (AN/ARR11) ontvanger voor vliegtuigen. Deze werd met name ingezet in de B-29 bommenwerpers en Catalina vliegboten die eveneens aan de Russen werden geleverd.
De technische documentatie voor de US-9 werd in de Gorky Radio Meetinstrumenten Fabriek ( fabriek no. 326, Frunze fabriek) voorbereid.
Daar begon ook de serieproductie in 1948. Dat heeft geduurd tot 1987 en werd in verschillende fabrieken uitgevoerd. De BC348 werd dus van 1938 tot 1987 gemaakt !!
Totaal werden er 50.000 stuks gemaakt. Waar zijn ze allemaal gebleven of zijn ze nog steeds in gebruik??? Het zou zo maar kunnen. Ze zijn wel van zeer goede kwaliteit.
De radio bestrijkt het frequentiegebied 0,2 - 0,5 MHz en 1,5 - 18 MHz in zes bereiken.
| Band | Frequentie | Bereik | |
| 1 | 200 | tot | 500 kc |
| 2 | 1,5 | tot | 3,5 Mc |
| 3 | 3,5 | tot | 6,0 Mc |
| 4 | 6,0 | tot | 9,5 Mc |
| 5 | 9,5 | tot | 13,5 Mc |
| 6 | 13,5 | tot | 18,0 Mc |
De
ontvanger bestaat uit twee HF-trappen een mixer en een aparte triode voor de oscillator. Dat betekent dan ook een viervoudige afstem-C . Dan volgen twee trappen MF, de frequentie hiervan bedraagt 915 kHz, in de eerste trap is een kristal-filter opgenomen. Dan volgt nog de detector, BFO en LF versterker.De voedingsspanning van de oscillator wordt nog met een buis gestabiliseerd. In totaal worden negen radiobuizen gebruikt.
De anodespanning wordt geleverd door een dynamotor die vanuit 27 Volt (boordspanning in vliegtuigen)
een gelijkspanning produceert van 220 Volt bij 70 mA. De opgenomen primaire stroom bedraagt dan 1,4 A.
Er zijn ook uitvoeringen met een netspannings-voeding voor 115 Volt 400 Hz. In latere versies werden zelfs transistor-omvormers toegepast en de grote transformator werd verwisseld voor een kleinere met ventilatorkoeling.
De afmetingen zijn 245 x 465 x 275 mm en het gewicht bedraagt 17 kg.
Door op de afbeeldingen te klikken verkrijgt u een vergroting in een apart venster.

De US-9. Het toestel is enigszins gehavend. De menie komt aardig tevoorschijn.
Het vooraanzicht met Russische teksten. De grote knop rechts onder de bereikschakelaar is de afstemknop.
Dit is de BC348J. De schakelaar om de BFO in te schakelen bevindt zich hier links boven, bij de US-9 is dat een simpele aan/uit-tuimelschakelaar die iets lager is aangebracht.
De afstemschaal die ingesteld staat voor het bereik 3,5 tot 6,0 MHz. Ideaal om de 80- en 60 meterband te ontvangen.
De schaalverlichtingslampjes zijn uitstekend bereikbaar om ze te vervangen.
En zo ziet de bandomschakeling er uit. Een mooi stukje techniek.
De tuimelschakelaar voor BFO aan/uit met daarnaast de keuzeschakelaar kristal-filter aan/uit. Onder de aan/uit-schakelaar met linker stand AVC en rechter stand MVC.
Links de twee aansluitmogelijkheden voor de hoofdtelefoon, boven de Amerikaanse en onder voor de Russische. Daarnaast weer de aan/uit-schakelaar ( zie boven) , dan de volumeregelaar en de BFO-instelling.
De verlichtingsdimmer en daarnaast een zekeringhouder ( niet op de BC348) De afdekplaat met de zes schroeven dient te worden verwijderd om de drie front-end-buizen te kunnen vervangen.
Rechts de antenneaanpassing ( niet op de BC348) en daar onder de antenne-aansluiting en aarde-aansluiting.
Er zijn dus wel enkele modificaties aangebracht die de ontvanger verder verbeterd hebben.
De achterkant met links de antenne-kring, de HF-versterker en de mengtrap Rechts de dynamotor.
Links antennekring, dan HF-versterker-, mixer- en oscillator-kringen
Het groene ding is de LF uitgangstrafo. Daar naast de dynamotor. Onder de groene trafo het aansluitblok voor de voedingsspanning.
Zijaanzicht. De potmeter is gekoppeld aan de as van de afstemcondensator om de gevoeligheid van het gehele bereik enigszins constant te houden.
Aan de linker kant is niet veel te zien.
Bovenaanzicht, dit verschilt wat met de BC-348. De hier gebruikte HF-pentodes zijn van het type 6K7 met een topaansluiting, de hieronder getoonde buizen zijn van het type VT117 ofwel de 6SK7 (zonder topaansluiting).. Deze laatste werden toegepast in de latere versies van de BC-348.
De opstelling in de BC-348.
Nogmaal een wat gedetailleerder beeld. Hier is ook de mooie tandwiel-overbrenging van de bereikschakelaar te zien.
De ander kant.
De dynamotor, 6000 rpm. En dat is te horen.
De uitgangstrafo met schema.
De onderkant met rechts boven de viervoudige afstem-C. De derde knop van links bedient via een Bowden-kabeltje de frequentie-instelling van de BFO.
Zo ziet dat er bij de 348 uit. (ongeveer)
De indeling van de componenten is wat afwijkend van de BC348, de Russen gebruikten een andere condensatoropstelling.. De afstemming loopt via een wormwiel en tandwielen, stabiel genoeg!!
Nogmaals het frontend van de ontvanger.
Ja, en nu komt het. De Russen hebben bedacht dat je de radio op afstand moet kunnen bedienen en niet met Bowdenkabels, waar de Amerikanen zo sterk in waren, nee electrisch. Deze informatie komt van RADIOMUSEUM, een zeer informatieve site die zeer aan te bevelen is.
Om alles in detail te kunnen zien moet je je wel ( gratis) aanmelden, maar dan gaat er ook een wereld voor je open!!!
Attentie, onderstaande foto's zijn afkomstig van RMORG.
Deze opbouw wordt er voor gemonteerd om de radio te bedienen.
De complete set.
De Control-unit voor de US-9DMS. Met boven aan de tekst "Attentie, het aanpassen en instellen gaat met wisselstroom" Links boven de Kristal-filter aan/uit-schakelaar. De afstemschaal per band ingedeeld met daarbij de afstemming. Rechts de schaalverlichtingsinstelling met daaronder de afstemknop.
Links de de BFO-schakelaar met daarnaast een lampje ??? (aan/uit??) Links verder twee hoofdtelefoon-aansluitingen en de aan/uit-knop met AVC en MVC-keuze. Dan de bereikschakelaar. Rechts daarvan de
volumeregelaar en de BFO-instelling. Daaronder twee knopjes om de antenneinstelling te wijzigen.
De beplating van de afstandsbediening verwijderd, veel motorretjes en besturingen. Het is niet zo dat je deze unit zo maar op de ontvanger kunt plaatsen. Er is een speciale uitvoering van de US-9 voor nodig.
De unit van onderen gezien. Er zitten ook nog wat buizen op, wel modernere. (links boven)
Het geheel vanaf boven bekeken. Een knap staaltje techniek!!
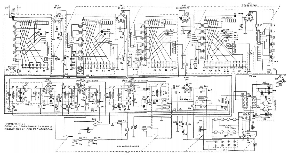
Het schema.