Voor de afwisseling maar weer eens een houten kastje gezien en voor een fotosessie uitgenodigd. Het is een multimeter of universeelmeter van eind jaren 40. De eerste modellen waren van 1946 en hadden 'voor de bruggelijkrichter nog vier van die mooie dioden uit WW2 militaire voorraden. Het type diode was Westector WX6. Het hier getoonde exemplaar had al een een wat modernere brugcel, zo'n grijs of zwart ding, maar ook uit die jaren. Deze cel werd gebruikt om wisselspanningen en stromen te kunnen meten met een draaispoelmeter.
Door op de afbeeldingen te klikken krijgt u een vergroting in een apart venster.
En dit is dan het kistje met een wat gehavend handvat.
Dit plaatje is er op gemonteerd, iets met "ANORO CHEM. LABORATORIUM". Waar en wanneer dat was is niet te vinden.

De achterzijde met een schuif om toegang te verkrijgen tot het batterij compartiment. De benodigde spanningen zijn 1,5 Volt en 7,5 Volt.
De plaats voor de batterijen. De drie uitsteeksels waarvan de bovenste met de zwarte draad met bananenstekker is voorzien, zijn de aansluitingen van drie contacten die verbonden zijn met de meter. Met een beetje passen en meten passen vijf 1,5 Volt batterijen in de hoogte opgestapeld in het vak. de zesde, aparte batterij heeft dan ook nog genoeg ruimte.
En zo ziet de meter er uit. De teksten zijn door het veelvuldig gebruik wat beschadigd, misschien wel door de chemicalien die in het laboratorium verwerkt werden...
Volgens het bijbehorende manual beschikte de meter over 90 bereiken. Dat lijkt nogal indrukwekkend, maar in werkelijkheid zijn maar 55 bereiken zonder externe hulpmiddelen beschikbaar.
Het plaatje met serienummer dat net boven de draaispoelmeter is bevestigd.
De schaal van de draaispoelmeter met een gevoeligheid van 40 microAmpère. Model 400. Voor een correcte meting moet het toestel liggend gebruikt worden.
Met de METER-knop kan de verbinding met de meter verbroken worden. De knop er onder is voor de weerstandsmeting instelling. Volgens het schildje op de meter was deze het eigendom van de afdeling "Elektronika" en de waarschuwing rechts zet je toch tot nadenken. Als ze ook zo met hun chemicalien zijn omgegaan zijn de gevolgen misschien wel heel bedenkelijk.
De bereikschakelaar en de keuzeschakelaar . Er schijnt ook nog een "buzzer" in te zitten. Deze wordt gebruikt om een verbinding akoestisch te signaleren. Een "Doorgangs-piepertje".
De aansluiklemmen. Common - is wel duidelijk, Test+ is de normale meetpen aansluiting. Output is de LF-spanningsmeting. De beide 10 Amp. aansluitingen zijn resp. voor de DC- en AC-meting.
Door de vier verzonken schroeven in het front los te draaien is het binnenwerk er uit te halen. Wel even oppassen dat de contactestrips van de batterij-spanningen niet blijven haken.
Bovenaanzicht, links de drie contactstrippen met daarboven de bereikschakelaar. In het midden de meter. Rechts de "Meter-switch" en de instelpotmeter voor de weerstandmeeting. Onder de drie serieweerstanden voor het 5000 Volt-bereik.
In de oudere instrumenten was boven op de plek van de meteraansluiting dit bordje met de brugcel bestaande uit Westector dioden geplaatst.
De Westector W.X.6. Veel gebruikt in WW2-oorlogsapparatuur en in de de eerste naoorlogse kristal-ontvangers.
De aansluitstrip.
De beide schakelaars, eerst dacht ik dat het bovensete deel van de linker schakelaar defect was, de rotor was weg. Maar dit dek werd puur als een soort weerstandbordje gebruikt. Rechts boven, binnen in de schakelaar is de zwarte brugcel te zien. De grijze cel is een helft van een brug ter bescherming van de meter.
De andere kant van de twee schakelaars,
De bovenkant van het meetsysteem.
Nogmaals de "Meter-switch" en de instelpotmeter.
De mica-condensator van 10 nF( voor dB-meting) is een typische WW2 uitvoering. Dat geldt ook voor de drie serieweerstanden van de 5000 V-meting. De dikke draad die boven de condensator zit is de shuntweerstand voor het AC 10 Ampère-bereik.
De aansluitingen van de strips naar de batterijen.
De bereiken.
Nogmaals een handgeschreven tabel van de instellingen.
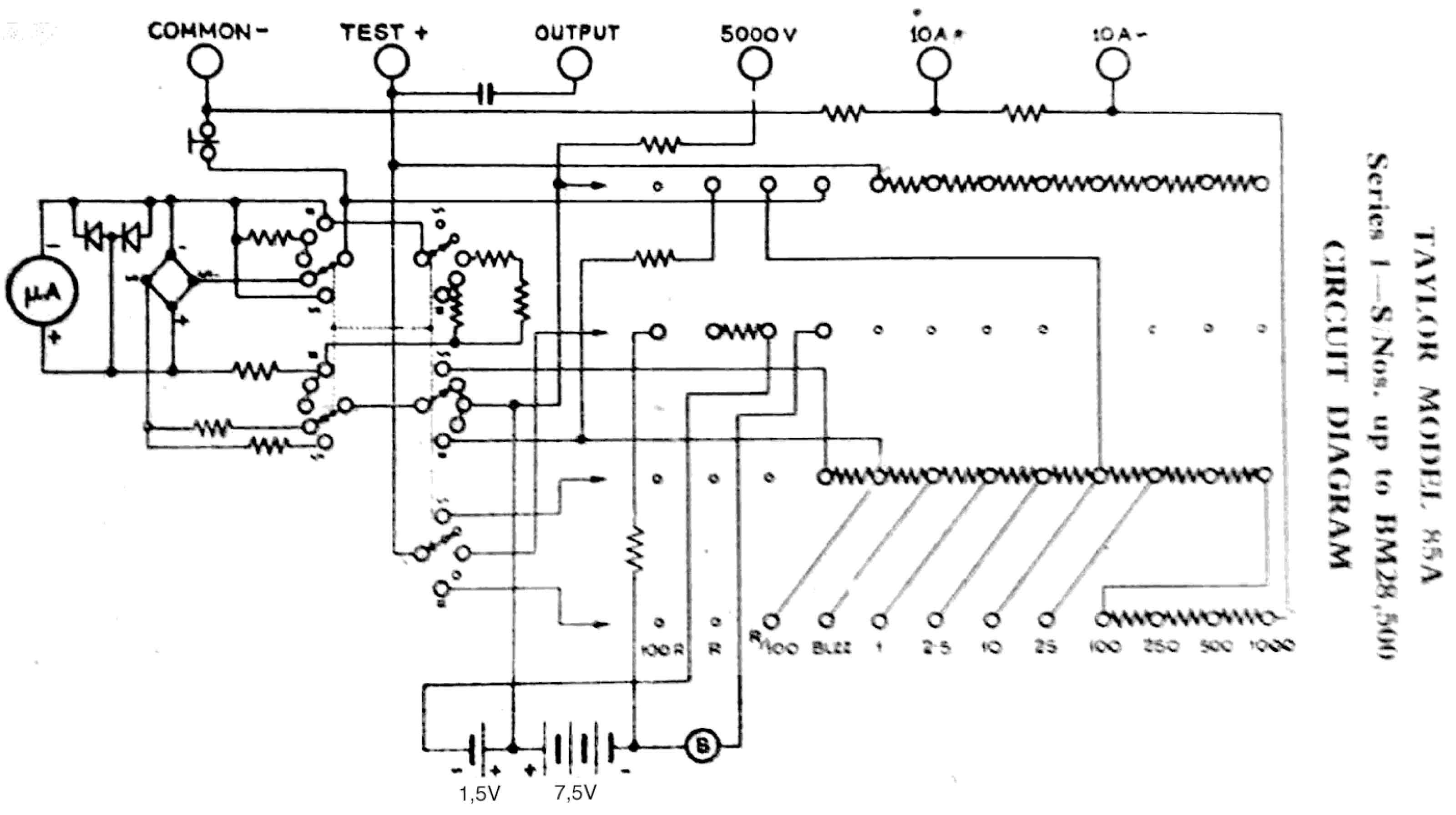
Het schema
Terug naar begin van de pagina
Documentatie.